Местоположение Екатеринбург
Ваш город: Екатеринбург
Да, верно! Нет, выбрать другой
Выберите ваш город:
  • Екатеринбург
  • Москва
Время работы Понедельник-пятница: с 8.00 до 18.00
Быстрое оформление заказа
Блок цилиндров Cummins CGe250, CGe280, C Gas Plus, шт
Артикул: 3971410
Доставка: 4дн.
Количество:
Цена, ₽/шт: 172 192,00
Сумма: 1000
Нажимая на кнопку "Отправить", вы соглашаетесь с Политикой конфиденциальности и Условиями использования сайта.
Оформить
Артикул: 20240061   В избранное
Бренд: VM
Применяется:   VM
Вы можете вернуть товар если он вам не подошёл.
Доставка товара до ТК в день покупки.
Опыт работы наших сотрудников более 7 лет.
Продукция прошла испытания в акредитованном испытательном центре.
У нас более 5000 клиентов по всей России.
  • НАЛИЧИЕ НА СКЛАДАХ
  • ОПЛАТА И ДОСТАВКА
  • ХАРАКТЕРИСТИКИ
  • ПРИМЕНЯЕМОСТЬ
  • ОПИСАНИЕ
  • ВОПРОС - ОТВЕТ
  • Отзыв о товаре
  • Обзоры
Наименование Количество Срок поставки Склад Цена

Способы оплаты:

  1. Оплата банковской картой.

    В корзине, выберете пункт "Картой на сайте" заполните все обязательные поля и нажмите кнопку "Отправить". Далее после проверки актуальности цены и сроков поставки с вами свяжется наш менеджер. Статус заказа вы можете отслеживать на странице Заказы , как только все товары заказанные вами будут подтверждены , с права появится кнопка "оплатить". При нажатии на которую вас перекинет на страницу оплаты Сбербанка. Таким образом при оплате заказа в нашем магазине, ваши персональные данные к нам не поступают, а отправляются напрямую в банк.

    При оформлении заказа через сайт или менеджера компании, на странице Корзина выбрав пункт "Картой в офисе компании" и при получении товара в офисе вы можете оплатить товар через терминал картами МИР, VISA, MasterCard, UnionPay, JCB.

  2. Оплата наличными.

    Оплата наличными осуществляется в офисах компании при самовывозе.

  3. Оплата по безналичному расчёту.

    Вы можете попросить выставить счёт на интересующую вас автозапчасть позвонив или написав письмо любому нашему менеджеру.

    Так же можно самостоятельно оформить счёт. Для оплаты по безналичному расчёту (по счёту) на странице Корзина нужно выбрать пункт "По счёту" , после оформления заказа и проверки заказа менеджером, на странице Заказы с права будет кнопка Счёт. При нажатии, открывается окно, для распечатки счёта или его сохранении.

  4. Оплата по QR коду.

    Для данной оплаты обратитесь к нашим менеджерам для того чтобы они выслали вам QR код. После оплаты, при необходимости, нужно будет нам сообщить код оплаты.

Способы доставки:

  1. Самовывоз

    Товар можно получить в офисе компании.

  2. Доставка транспортными компаниями.

    Доставка товара до терминала транспортных компаний бесплатная , а от терминала и до вашего города по тарифам ТК.

  3. Доставка через приложение Яндекс GO.

    Доставка оплачивается покупателем, или может быть включена в стоимость товара. В черте города.

Марка Название
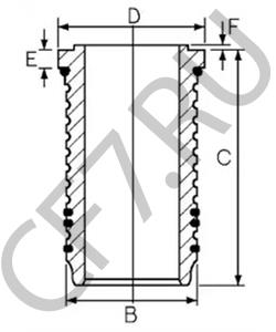
длина 166.8 мм
Ширина 8.9 мм
отв. цилиндра 92 мм
хонингованный
Внешний диаметр 101.5 мм
Фланец-диам. 110 мм
влажная гильза цилиндра
Высота пожарного мостка 1.2 мм
ROVER 2000-3500 Наклонная задняя часть (SD1) 2400 TD 05.1982 - 10.1986
ROVER 800 купе 825 SD 09.1993 - 02.1999
ROVER 800 Наклонная задняя часть (XS) 825 D/SD (XS) 01.1992 - 02.1999
ROVER 800 (XS) 825 D/SD (XS) 01.1990 - 02.1999
FORD SCORPIO I (GAE, GGE) 2.5 TD 08.1993 - 09.1994
FORD SCORPIO I седан (GGE) 2.5 TD 08.1993 - 09.1994
ALFA ROMEO 155 (167_) 2.5 TD (167.A1A, 167.A1G) 04.1993 - 12.1997
ALFA ROMEO 164 (164_) 2.5 TD (164.K2A, 164.K2B) 09.1992 - 09.1998
ALFA ROMEO 164 (164_) 2.5 TD (164.A1A) 06.1987 - 09.1992
ALFA ROMEO 33 (905_) 1.8 TD 01.1986 - 06.1990
ALFA ROMEO 33 (907A_) 1.8 TD (907A5) 07.1990 - 09.1994
ALFA ROMEO 33 Sportwagon (905A_) 1.8 TD 01.1986 - 12.1989
ALFA ROMEO 75 (162B_) 2.4 TD 01.1989 - 02.1992
ALFA ROMEO 90 (162_) 2.4 TD (162.B5) 10.1984 - 07.1987
ALFA ROMEO ALFETTA (116_) 2.4 TD (116.B3) 04.1983 - 12.1984
OPEL FRONTERA A Sport (U92) 2.5 TDS 09.1996 - 10.1998
FORD SCORPIO II (GFR, GGR) 2.5 TD 10.1994 - 08.1998
FORD SCORPIO II Turnier (GNR, GGR) 2.5 TD 10.1994 - 08.1998
VAUXHALL FRONTERA Mk I (A) Sport (U92) 2.5 TDS 09.1996 - 10.1998
VAUXHALL FRONTERA Mk I (A) (U92) 2.5 TDS 11.1991 - 06.1998
OPEL FRONTERA A (U92) 2.5 TDS 09.1996 - 10.1998
FORD SCORPIO I Turnier (GGE) 2.5 TD 08.1993 - 09.1994
JEEP GRAND CHEROKEE I (ZJ) 2.5 TD 4x4 (Z) 10.1995 - 04.1999
LAND ROVER RANGE ROVER I 2.4 TD 4x4 04.1986 - 12.1990
LAND ROVER RANGE ROVER I 2.4 TD 4x4 04.1986 - 07.1994
LAND ROVER RANGE ROVER I 2.4 TD 4x4 10.1989 - 02.1992
CHRYSLER VOYAGER II (ES) 2.5 TD 01.1992 - 09.1995
ALFA ROMEO 155 (167_) 2.5 V6 (167.A1C, 167.A1) 02.1992 - 09.1996
FIAT PALIO Weekend (178_) 1.4 Flex 02.2005 -
HOLDEN CRUZE седан (JH) 1.4 i Turbo 04.2011 - 12.2016
ALFA ROMEO 75 (162B_) 2.0 T.S. (162.4CB, 162.B4, 162.B4A) 01.1987 - 02.1992
ALFA ROMEO 164 (164_) 2.0 T.S. (164.A2H) 06.1987 - 09.1992
ALFA ROMEO 164 (164_) 2.0 T.S. (164.H3) 09.1992 - 09.1998
ALFA ROMEO 164 (164_) 2.0 V6 Turbo (164.K3) 09.1992 - 09.1998
ALFA ROMEO 164 (164_) 2.0 V6 Turbo (164.A2G, 164.A2F) 03.1991 - 09.1992
ALFA ROMEO 164 (164_) 3.0 V6 (164.A) 06.1987 - 09.1992
NISSAN LAUREL (JC32) 2.8 D 01.1985 - 12.1987
HONDA ACCORD IV (CB) 2.2 i 16V Automatik (CB7) 01.1990 - 03.1993
OPEL CORSA A Наклонная задняя часть (S83) 1.2 S 09.1982 - 02.1990
AUDI 80 Avant (8C5, B4) 2.3 E 07.1992 - 01.1996
ISUZU MIDI автобус (94000, 98000) 2.2 D (98000) 06.1988 - 08.1992
LANCIA DELTA I (831_) 2.0 HF Integrale (831AB.024) 10.1987 - 12.1991
HONDA TORNEO седан 1.6 10.1999 - 09.2002
HONDA TORNEO седан 1.8 10.1999 - 09.2002
TOYOTA COROLLA Station Wagon (_E9_) 1.8 D (CE90) 08.1989 - 06.1992
TOYOTA COROLLA Station Wagon (_E9_) 1.8 D (CE90) 12.1987 - 06.1992
FAW TIANJIN JUNYA 1.1 06.2002 - 12.2008
SKODA FABIA II (542) 1.4 TDI 01.2007 - 03.2010
SKODA FABIA II (542) 1.9 TDI 04.2007 - 03.2010
VW AMAROK (2HA, 2HB, S1B, S6B, S7A, S7B) 2.0 BiTDI 4motion 11.2011 -
MAGIRUS-DEUTZ M-Series 160M13FAL 01.1975 - 12.1982
RENAULT TRUCKS Magnum AE 420ti.26T 10.1992 - 12.1996
IVECO P/PA-Haubenfahrzeuge 330-30 AN 05.1986 - 09.1990
VOLVO FL 10 FL 10H/360 12.1995 - 09.1998
VOLVO FL 10 FL 10/320 12.1995 - 09.1998
MERCEDES-BENZ LK/LN2 1217 KO 03.1994 - 12.1998
MERCEDES-BENZ LK/LN2 1317 K 07.1984 - 12.1998
MERCEDES-BENZ LK/LN2 1317,1317 L 03.1996 - 12.1998
SCANIA P,G,R,T - series P 340, R 340 10.2006 -
ERF ECT 32.35 BB 02.2005 -
MERCEDES-BENZ ACTROS MP2 / MP3 3241 04.2003 -
MERCEDES-BENZ LK/LN2 1117 K 03.1996 - 12.1998
MERCEDES-BENZ LK/LN2 1514,1514 L 01.1984 - 12.1998
MAN F 90 33.402 DF 05.1994 - 06.1996
IVECO Stralis AD 190S30, AD 190S31, AT 190S31 06.2003 -
IVECO Stralis AD 260S35, AT 260S35, AD 260S36, AT 260S36 06.2003 -
MAN F 90 33.402 DFK 05.1994 - 06.1996
VOLVO FL 10 FL 10/360 12.1995 - 09.1998
DAF F 2000 FAT 2000 DH 01.1970 - 12.1979
MERCEDES-BENZ AXOR 2 2533, 2533 L 10.2004 -
RENAULT TRUCKS Manager G 230ti.19 09.1991 - 10.1996
MERCEDES-BENZ LK/LN2 1124 F 03.1992 - 12.1998
SCANIA P,G,R,T - series R 470 04.2004 -
SCANIA P,G,R,T - series G 480, R 480 01.2008 -
MERCEDES-BENZ LK/LN2 917 KO 03.1996 - 12.1998
MERCEDES-BENZ LK/LN2 1314 K 07.1984 - 12.1998
MERCEDES-BENZ LK/LN2 1314 AK 06.1987 - 12.1998
MERCEDES-BENZ LK/LN2 1314 KO 07.1984 - 12.1998
MERCEDES-BENZ LK/LN2 1317,1317 L 01.1984 - 12.1998
MERCEDES-BENZ LK/LN2 1317 K 03.1996 - 12.1998
VOLVO F 12 F 12/360 01.1988 - 12.1990
VOLVO F 12 F 12/360 01.1988 - 12.1990
MERCEDES-BENZ MK 2426 01.1990 - 08.1994
LAZ LEMBERG 320 01.2012 -
MAHINDRA TOURISTER T15 01.2010 -
FOTON AUMAN 385 (BJ53_) 01.2012 -
FORD Cargo C 1729 BT 01.2016 -
FORD Cargo C 1933 BT 01.2016 -
ISUZU N-Serie NKR 77, NPR 77 10.2005 -
SAF IRDZW IRDZW 24 -
BPW KH KHZFD 1008-15 01.1995 -
BPW KH KHZFD 12010-15 01.1995 -
BPW KH KHZF 9010 01.1988 -
BPW KH KHZFB 10010-15 01.1988 -
BPW KH KHZFB 9010-15 01.1988 -
BPW KH KHZF 12008-15 ECO Plus 01.2000 -
BPW KH KHZFDH 8010 01.1988 -
SCANIA ASA ASA760 -
MERCEDES-BENZ HL HL4/23L-7,7 -
MERCEDES-BENZ HL HL4/28D-7,8 -
MERITOR MS MS19-145 -
BPW KM KMSFL 9008/34/34° ECO-MAXX 01.1997 -
SCANIA AM AM800 -
ADR AA0 AA0TE1WC -
BPW KH KHZF 9008-15 ECO-MAXX 01.1988 -
BPW KH KHZF 11008-15 ECO 01.1988 -
BPW KH KHZF 9010 ECO-MAXX 01.1988 -
BPW KH KHZF 9010-15 01.1988 -
BPW KH KHZF 9010-15 ECO 01.1988 -
BPW KH KHZF 9010-15 ECO-MAXX 01.1988 -
BPW KH KHZFD 10008-15 01.1988 -
BPW SKH SKHZF 9010-15 ECO Plus2 09.2007 -
BPW SKM SKMSFHLL 9010 ECO Plus2 09.2007 -
BPW M MSFH 9010 01.1982 -
BPW NR NRZMOT 8010 D36 01.1982 -
MERCEDES-BENZ AL AL7/54D-9 -
BPW H HZF 14010-1 01.1982 -
GIGANT LK16 LK 16-1310-20 PT -
GIGANT LK16 LK 16-1310-20 P 2.1 -
Компания Corporation Fast предлагает купить 20240061 VM Гильза цилиндра и другие запчасти со скидкой для авто и спецтехники. Для оформления заказа добавьте товар в корзину или купите его в 1 клик и с вами свяжется менеджер, который проконсультирует по деталям, срокам доставки и стоимости заказа. 20240061 VM Гильза цилиндра и другие автозапчасти из каталога доступны к заказу с доставкой по России, также можно оформить самовывоз со склада в Екатеринбурге .
1. Как мне купить этот товар?
День добрый! В наличии на складе Екатеринбурга и Мытищи. Стоимость 55,00 руб. Если готовы заказать, от вас потребуется ФИО (физ.лицо) или карточка предприятия. Оплату на карту СБЕР: 4279 1600 3605 7055 Дмитрий Михайлович О. или можем выставить счёт. Отправку до вас можем организовать со склада Москвы/Екатеринбурга транспортными компаниями СДЭК, Деловые линии, Энергия, Кит, Луч. Для этого необходимо указать ваш адрес, либо ближайший к вам пункт выдачи. С уважением, Оленев Дмитрий Михайлович ООО Фастгеар 89255555536@mail.ru WhatsApp: +79255555536       тел. сот: 89255555536 Тел/факс: +7(495) 123-33-73 https://cf7.ru  https://1dcc.ru
Нажимая на кнопку "Отправить", вы соглашаетесь с Политикой конфиденциальности и Условиями использования сайта.
Спасибо за ваш вопрос!
В ближайшее время мы на него ответим.
0 на основе 0 отзывов
Написать отзыв

Фастгеар предоставляет скидку на товары 5-10% за 5-10 обзоров.

Добавить обзор
С этим товаром покупают
Похожие товары
У вас вопрос?
Его нужно решить...
Получите профессиональную консультацию у
наших специалистов, позвонив нам по телефону
или отправив письмо
Пишите:
Звоните:
Отправьте нам сообщение. И если потребуется ответ нашего специалиста он ответит вам в течение 10 минут. Понедельник-пятница: с 8.00 до 18.00
Нажимая на кнопку "Отправить", вы соглашаетесь с Политикой конфиденциальности и Условиями использования сайта.
Купон на разовый заказ
Скидка 10%
для вас в следующий раз скидка будет доступна через 5 дней
Для активации купона назовите нашему менеджеру номер телефона который вы ввели для регистрации купона.
Запчасти. Купить запчасти 20240061. Производитель: VM. Каталог запчастей. Новые автозапчасти в Екатеринбурге и области для авто в наличии и под заказ. Купить авто запчасти Гильза цилиндра Екатеринбурге онлайн в любое время в интернет магазине запчастей cf7.ru Corporation Fast. Запчасти для иномарок, грузовиков, спецтехники. Каталог запчастей. Доставим 20240061 бесплатно до транспортной компании. Оригинальные запчасти и аналоги. Цена 20240061 Гильза цилиндра от до рублей. Срок доставки товара от до дней в зависимости от удалённости склада до вашего города. Фото, описание, технические характеристики 20240061 представлены на нашем сайте. Поиск запчастей по OEM и аналогам. Предложения дилеров, производителей, крупных федеральных поставщиков запчасти 20240061. Доставка товара по всей России транспортными компаниями на выбор клиента. Способы доставки: самовывоз, курьером, транспортной компанией. 20240061 Гильза цилиндра со скидкой от 5% до 30% для оптовых покупателей. Компания Corporation Fast занимается продажей запчастей с 2004 года и поставляет на Российский рынок большое их разнообразие.
Написать отзыв
Нажимая на кнопку "Отправить", вы соглашаетесь с Политикой конфиденциальности и Условиями использования сайта.
Оставить отзыв
Добавить обзор
Минимум 700 символов. HTML тэги не применяются и будут проигнорированы.
Нажимая на кнопку "Отправить", вы соглашаетесь с Политикой конфиденциальности и Условиями использования сайта.
Опубликовать

ВАШ отдых – НАШ приоритет.

20240061 VM - К сожалению, именно этой запчасти сейчас нет в наличии.

Но не спешите уходить!

Посмотрите возможные аналоги выбранного товара, которые представлены ниже.

ИЛИ

Сделайте 1 шаг к вашему отдыху, напишите нам в WhatsApp или Telegram , и над поиском необходимой вам запчасти поработаем мы.

В настоящее время очень большая загруженность наших менеджеров, просим вас не звонить им, а писать в telegram или whatsapp, спасибо за понимание. Ответим на каждое ваше сообщение.
Менеджеры Corporation Fast
i Грузовые автомобили и коммерческий транспорт всех марок
Юрин Дмитрий Владимирович
Перезвоню за
60
Сек.
Написать
i Грузовые, легковые автомобили и коммерческий транспорт всех марок
Оленев Дмитрий Михайлович
Перезвоню за
60
Сек.
Написать
i Китайские грузовые машины, и коммерческий транспорт
Некрасова Руслана Сергеевна
Перезвоню за
60
Сек.
Написать
i Грузовые, легковые автомобили и коммерческий транспорт всех марок
Касанов Дмитрий Евгеньевич
Перезвоню за
60
Сек.
Написать
i Ответит первый освободившийся менеджер
Общий [только whatsapp и telegram]
Перезвоню за
60
Сек.
Написать
Нажимая на кнопку "Отправить", вы соглашаетесь с Политикой конфиденциальности и Условиями использования сайта.